Pipe Clamp Fittings
- Stainless Steel Valves
-
Cast Iron Valves
- Butterfly Valve
-
Gate Valve
- DIN 3352 F4/F5 Resilient Seated Flanged Gate Valves
- DIN3352 F4 Metal-seal Flanged End Gate Valve
- BS5150 Non-rising Stem Flanged End Gate Valve
- BS5163 Resilient Seated Flanged Gate Valve
- BS3464 Non-rising Stem Gate Valves
- MSS SP-70 Metal-Seal Cast iron Non-Rising Stem Gate Valve
- MSS SP-70 Metal-Seal Cast iron Rising Stem Gate Valve
- AWWA C509 AWWA C515 Cast iron Gate Valve
- Socket End Gate Valve for PVC pipe
- Globe Valve
- Check Valve & Y Strainer
- Fire Protection Valves
-
Pipe Fittings
-
Forged Pipe Fittings
- Socket Weld Union
- Socket Weld Lateral
- Socket Weld Cross
- Socket Weld Half Coupling
- Socket Weld Coupling
- Socket Weld Cap
- Socket Weld Tee
- Socket Weld 90 Degree Elbow
- Socket Weld 45 Degree Elbow
- Socket Weld Reducing Insert
- Socket Weld x Female Threaded Union
- Butt Weld Union
- Threaded 45 Degree Elbow
- Threaded 90 Degree Elbow
- Threaded Street Elbow
- Threaded Tee
- Threaded Cap
- Threaded Adapter
- Threaded Cross
- Threaded Lateral
- Flush Bushing
- Hexagon Head Bushing
- Threaded Coupling
- Threaded Half Coupling
- Hexagon Head Plug
- Round Head Plug
- Square Head Plug
- Threaded Union
- Male x Female Threaded Union
- Lug Nut Union
- Swage Nipple and Bull Plugs
- Butt Weld Outlet
- Elbow Outlet
- Flanged Nipple Outlet
- Lateral Outlet
- Nipple Outlet
- Socket Weld Outlet
- Sweep Outlet
- Threaded Outlet
- Pipe Nipple And Coupling
- Ductile Iron Grooved Pipe Fitting
-
Pipe Clamp Fittings
- G101 Short Tee
- G101 Reducing Short Tee
- G104 Long Tee
- G116 3 Way Through
- G116A-D Add-on 3 Way Through
- G119 2 Socket Cross
- G119A-D Add on 2 Socket Cross
- G123 Variable Elbow 40 °- 70°
- G124 Variable Elbow 15° - 60°
- G125 2 Way 90° Elbow
- G125H Variable Elbow
- G126 Angle Cross 30° - 45°
- G127 Angle Tee 30° - 45°
- G128 3 Way 90° Elbow
- G129 Adjustable Tee 30° - 60°
- G130 Adjustable Corss 30° - 45°
- G131 Base Flange
- G132 Railing Base Flange
- G133 Plastic End Cap
- G134 Ground Socket
- G135 Clamp on Tee
- G136 Add on Tee
- G137 Crossover 90°
- G138 Gate Eye
- G140 Gate Hinge
- G143 Handrail Bracket
-
Forged Pipe Fittings
- Stainless Steel Pipe Fittings
- G101 Short Tee
- G101 Reducing Short Tee
- G104 Long Tee
- G116 3 Way Through
- G116A-D Add-on 3 Way Through
- G119 2 Socket Cross
- G119A-D Add on 2 Socket Cross
- G123 Variable Elbow 40 °- 70°
- G124 Variable Elbow 15° - 60°
- G125 2 Way 90° Elbow
- G125H Variable Elbow
- G126 Angle Cross 30° - 45°
- G127 Angle Tee 30° - 45°
- G128 3 Way 90° Elbow
- G129 Adjustable Tee 30° - 60°
- G130 Adjustable Corss 30° - 45°
- G131 Base Flange
- G132 Railing Base Flange
- G133 Plastic End Cap
- G134 Ground Socket
- G135 Clamp on Tee
- G136 Add on Tee
- G137 Crossover 90°
- G138 Gate Eye
- G140 Gate Hinge
- G143 Handrail Bracket
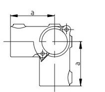
G116A-D Add-on 3 Way Through
Application:
Features:
Flexible solutions for all tupes of safety barriers.
Widest range of safety components.
No welding, so no hot permits required.
Share to:
Specification:
| Pipe Clamp Fittings | ||
|---|---|---|
| EATHU Clamp Type | Nominal Bore | Tube Ouside Diameter |
| T | 1/2" | 21.3mm |
| A | 3/4" | 26.9mm |
| B | 1" | 33.7mm |
| C | 1-1/4" | 42.4mm |
| D | 1-1/2" | 48.3mm |
| E | 2" | 60.3mm |
| Pipe Clamp Fittings-G116A-D Add-on 3 Way Through | ||||||
|---|---|---|---|---|---|---|
| Type | Tube Size (mm) | Dimensions (mm) | ||||
| a | b | c | d | |||
| D | 48.3 | 88 | ||||
Product Details
- EATHU kee clamps are designed by using mallerble iron in accordance with ASTM A197 which applies for good mechanical strength and enough elongation characters.
- Material : Malleable Iron/Ductile Iron/Customizable
- Surfece Treatment : Galvanized/Powder-coat/Customizable
- The surface treatment of the clamps is hot dipped galvanized which meet the specification of ASTM A153 to anti-rusting and corrosion.
- Six different sizes are available as following.
inquire now
If you have any questions or needs about the product, please fill in the following form and we will contact you as soon as possible.